





Střídavý elektromotor s rotačním pláštěm nové generace pro modely větroň do 550g, trenér do 500g, akro 400g, 3D 350g, napájení Lixx 2-3s, hřídel 3,17 mm, regulátor 10-20A.
| Výrobce: Axi - Model motors | Dostupnost: dostupnost 2-4 dny |
| Kód produktu: 0321972 | Cena bez DPH: 1 675,21 Kč |
| Kód výrobce: 3EL105603V3 | DPH: 21% |
Nová generace motorů AXI V3 má vyšší výkon díky svému propracovanému designu, který ve spojení s integrovaným chladícím systémem na principu turbínového efektu proudění vzduchu udržuje vinutí motoru chladnější až o 20%.
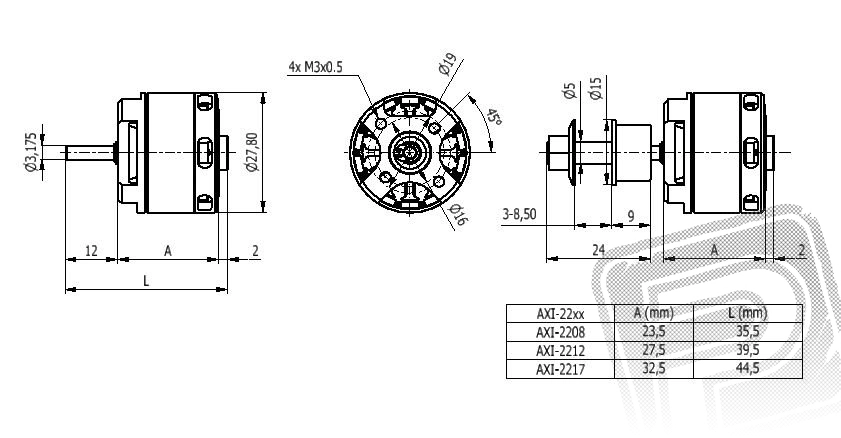
Robustní a spolehlivé vysokovýkonné střídavé motory řady AXI 2208/xx V3 s otočným pláštěm a neodymovými magnety mají kalenou hřídel o průměru 3,17 mm uloženou ve dvou kuličkových ložiscích, která zajišťují velmi dobrou mechanickou stabilitu při normální i obrácené montáži. Rotory motorů řady AXI 2208/xx V3 jsou vyváženy na nejmodernějším dynamickém vyvažovacím zařízení od renomované společnosti Schenck. Kvalitní japonská ložiska, dodávaná do motorů řady V3 se vyznačují vyšší životností a tichým chodem.
Motory řady AXI 2208/xx V3 jsou díky svému velkému kroutícímu momentu vhodné pro přímý pohon velkých vrtulí bez nutnosti použít převodovku, což zajišťuje velmi dobrou účinnost celého pohonu.
| Systém označování motorů: AXI xxYY/zz |
| xx - průměr statoru v mm |
| YY - délka statoru v mm |
| zz - počet závitů |
AXI 2208/34 V3 je miniaturní střídavý motor učený pro pohon malých modelů s letovou hmotností do 500 g s napájením z dvoučlánkového nebo tříčlánkového akumulátoru Li-poly. S jeho pomocí můžete úspěšně "elektrifikovat" např. velké gumáčky ze stavebnic Guillow's nebo Dumas s rozpětím cca 800-1200 mm, výborný je i pro park-flyery Dumas a SIG/HERR. Vhodný je spíše pro motorové větroně, 3D modely a pomalejší motorové modely, kde lépe funguje vrtule o větším průměru s nižším počtem otáček.
Montáž motoru: AXI 2208/34 V3 je konstruován pro přední i zadní montáž. Při přední montáži za čelo motoru použijte nejméně dva (protilehlé), nebo čtyři šrouby M3, které zasahují do čela motoru v rozmezí 3 - 4 mm. Motorová přepážka by měla být z 2 mm letecké překližky.
Sada motoru obsahuje: motor AXI 2208/34 V3 s kabely, kleštinový unašeč pro pevnou vrtuli, sadu pro zadní montáž, návod.
| Napájení LiXX článků | 2 - 3 |
| Otáčky na Volt [ot./min/V] | 1100 |
| Počet závitů | 34 |
| Vnitřní odpor [mOhm] | 260 |
| Proud naprázdno [mA] | 350 |
| max. účinnost [%] | 83 |
| Proud při max. účinnosti (η>74%) [A] | 4 - 7 |
| Max. špičkový proud (60 s) [A] | 10 |
| Max. výkon [W] | 100 |
| Průměr [mm] | 27.7 |
| Délka [mm] | 25.5 |
| Průměr hřídele [mm] | 3.17 |
| Hmotnost [g] | 43.5 |
| Počet pólů | 14 |
| Časování [°] | 15 - 25 |
| Regulátor [A] | 10 - 20 |
| Větroň do hmotnosti [g] | 550 |
| Trenér do hmotnosti [g] | 500 |
| Akrobat do hmotnosti [g] | 400 |
| 3D do hmotnosti [g] | 350 |
| Doporučená vrtule | 3S: 9x3,8", 9x5", 9x6" |
