Expedice skladových položek 29.12. a 30.12. 2025. Prodejna otevřena pouze 23.12. 14:00-17:00 a 27.12. 10:00-12:00.
Neskladové položky budou expedovány v týdnu od 5.1.2026.






| Výrobce: Axi - Model motors | Dostupnost: dostupnost 2-4 dny |
| Kód produktu: 0321994 | Cena bez DPH: 2 115,70 Kč |
| Kód výrobce: 3EL105300V3 | DPH: 21% |
Nová generace motorů AXI 2820/xx V3 má vyšší výkon díky svému propracovanému designu, který ve spojení s integrovaným chladícím systémem na principu turbínového efektu proudění vzduchu udržuje vinutí motoru chladnější až o 20%.
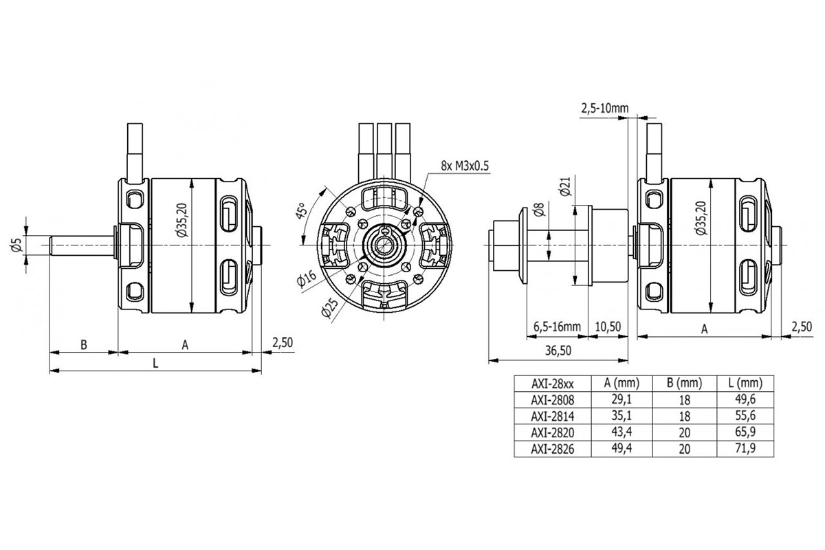
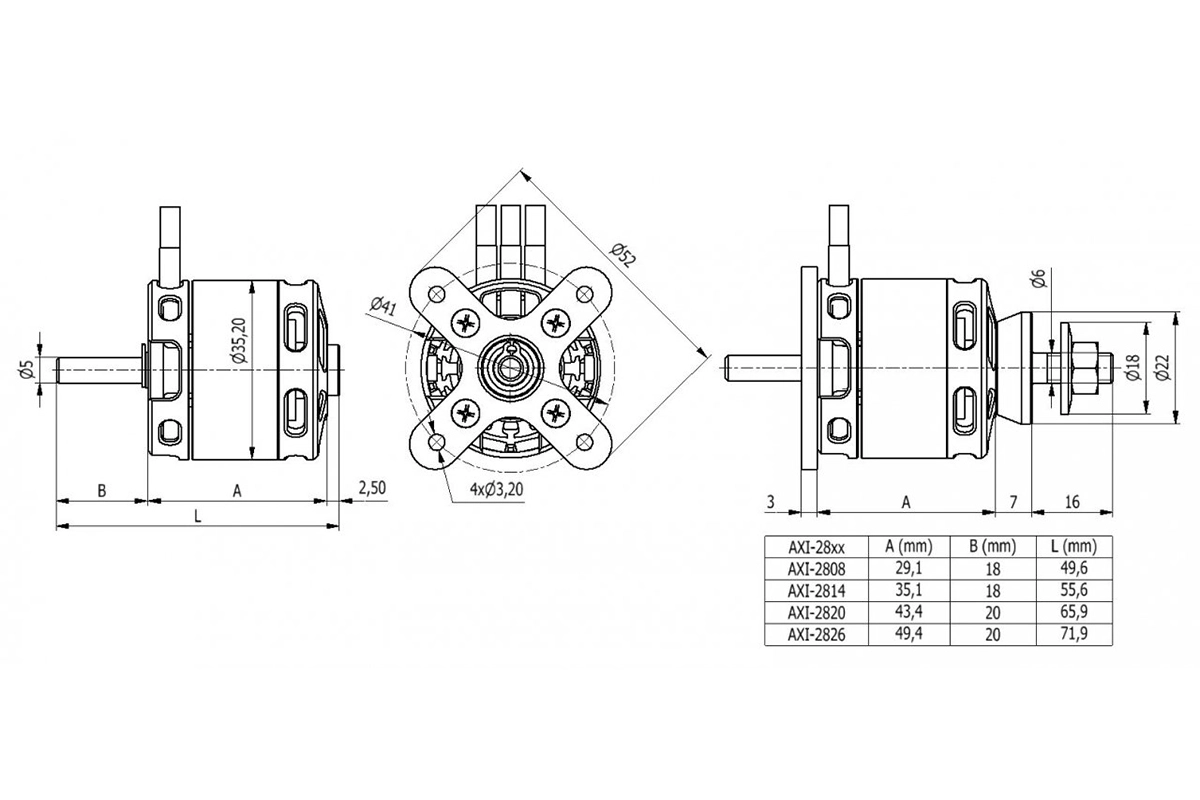
Robustní a spolehlivé vysokovýkonné střídavé motory řady AXI 2820/xx V3 s otočným pláštěm a neodymovými magnety mají kalenou hřídel o průměru 5 mm uloženou ve třech kuličkových ložiscích, která zajišťují velmi dobrou mechanickou stabilitu při normální i obrácené montáži a dovolují vysoká dynamická zatížení běžná při akrobatickém létání a zaručují velmi vysokou životnost. Rotory motorů řady AXI 2820/xx V3 jsou vyváženy na nejmodernějším dynamickém vyvažovacím zařízení od renomované společnosti Schenck. Kvalitní japonská ložiska, dodávaná do motorů řady V3 se vyznačují vyšší životností a tichým chodem.
Motory řady AXI 2820/xx V3 jsou díky svému velkému kroutícímu momentu vhodné pro přímý pohon velkých vrtulí bez nutnosti použít převodovku, což zajišťuje velmi dobrou účinnost celého pohonu.
| Systém označování motorů: AXI xxYY/zz |
| xx - průměr statoru v mm |
| YY - délka statoru v mm |
| zz - počet závitů |
AXI 2820/14 V3 je střídavý motor učený pro pohon modelů s letovou hmotností do 2400 g s napájením z tří- nebo čtyřčlánkového akumulátoru Li-poly. Výborně se hodí pro velké termické větroně do 2800-3000 mm (Riser 100, Bird of Time apod.) a 3D modely, pro něž je příznivější použití vrtule o velkém průměru s nízkými otáčkami.
Montáž motoru: AXI 2820/14 V3 je konstruován pro přední i zadní montáž. Při přední montáži za čelo motoru použijte čtyři šrouby M3, které zasahují do čela motoru v rozmezí 3,5-4 mm. Motorová přepážka by měla být ze 4-5 mm letecké překližky.
Sada motoru obsahuje: střídavý motor AXI 2820/14 V3 s kabely, kleštinový unašeč pro pevnou vrtuli, sadu pro zadní montáž, návod.
| Napájení LiXX článků | 3 - 4 |
| Otáčky na Volt [ot./min/V] | 860 |
| Počet závitů | 14 |
| Vnitřní odpor [mOhm] | 78 |
| Proud naprázdno [A] | 1.7 |
| max. účinnost [%] | 88 |
| Proud při max. účinnosti (η>75%) [A] | 15 - 30 |
| Max. špičkový proud (60 s) [A] | 37 |
| Max. výkon [W] | 520 |
| Průměr [mm] | 35 |
| Délka [mm] | 44 |
| Průměr hřídele [mm] | 5 |
| Hmotnost [g] | 148 |
| Počet pólů | 14 |
| Časování [°] | 15 - 25 |
| Regulátor [A] | 40 - 50 |
| Větroň do hmotnosti [g] | 2400 |
| Trenér do hmotnosti [g] | 2200 |
| Akrobat do hmotnosti [g] | 1800 |
| 3D do hmotnosti [g] | 1400 |
| Doporučená vrtule | 3S: 12x8", 13x6,5", 14x7"" |
