





Combo set střídavého elektromotoru s rotačním pláštěm s regulátorem 80A pro modely letadel: větroň 2200g, trenér 2100g, akro 1800g, 3D 1200g, KV1150 ot./min na V, napájení Lixx 3-4s, hřídel 5 mm.
| Výrobce: Kavan | Dostupnost: dostupnost 2-4 dny |
| Kód produktu: 0347684 | Cena bez DPH: 2 156,20 Kč |
| Kód výrobce: KAV30.1638C | DPH: 21% |
Motory KAVAN PRO jsou vysokovýkonné bezkomutátorové (střídavé, "brushless") čtrnáctipólové elektromotory s rotačním pláštěm ("outrunner") s vynikajícími elektrickými vlastnostmi, propracovanou konstrukcí a špičkovým výrobním zpracováním. Hřídele z tvrzené oceli a kvalitní ložiska zajišťují vysokou životnost, jakostní materiály použité pro zhotovení statoru i rotoru zaručují rovněž výborné výkonové parametry při vysoké účinnosti. Jsou to nízkootáčkové motory s velkým kroutícím momentem zvládající vrtule o velkém průměru i stoupání bez potřeby převodovky.
| Systém označování motorů: PRO xxYY-zzzz |
| PRO - střídavý motor s rotačním pláštěm ("outrunner", "oběžka") |
| xx - průměr motoru v mm |
| YY - délka motoru v mm |
| zzzz - počet otáček na volt (ot./min na V), „KV“ |
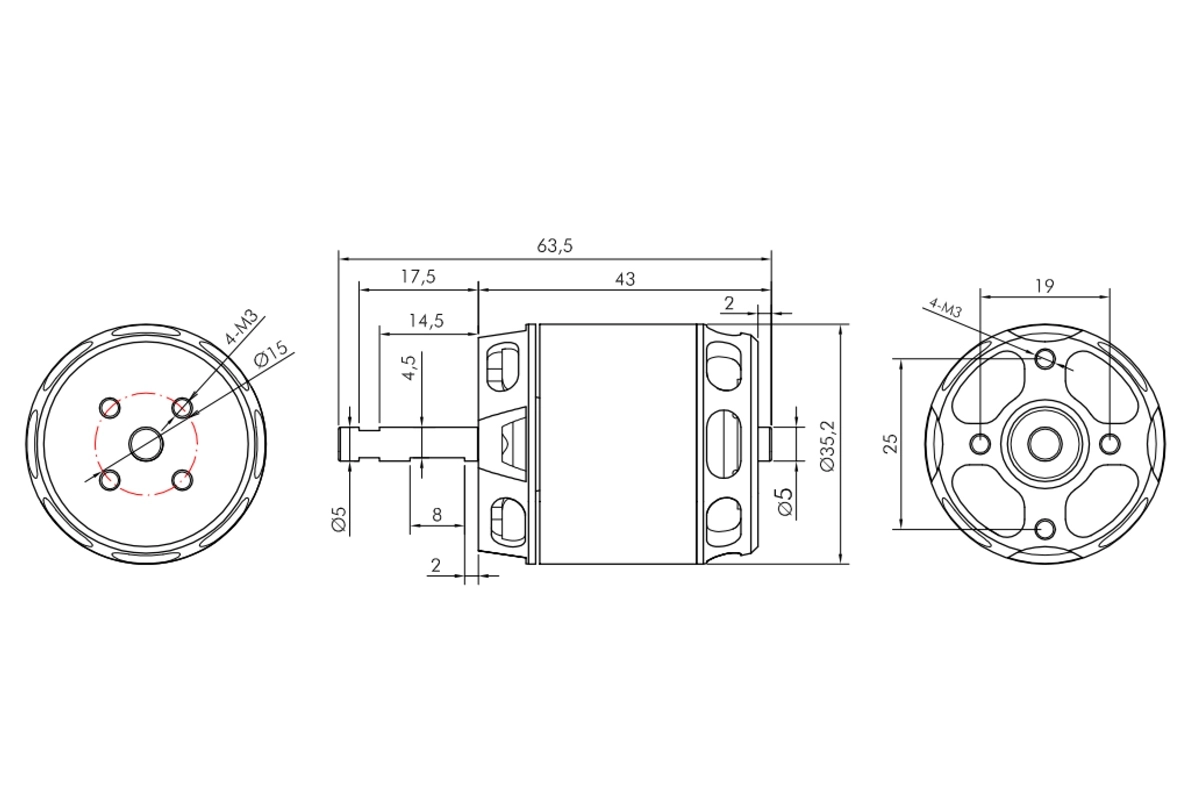
KAVAN PRO 3542-1150
KAVAN PRO 3542-1150 je střídavý motor učený pro pohon modelů s letovou hmotností do 2200 g s napájením z tříčlánkového až čtyřčlánkového akumulátoru LiPo. Výborně se hodí pro modely, jako je Classic EP, Acromaster, Stinson EP, Piper Cub EP 1520 mm od Phoenixu apod.
Montáž motoru: KAVAN PRO 3542-1150 je konstruován pro přední i zadní montáž. Při přední montáži za čelo motoru použijte čtyři šrouby M3, které zasahují do čela motoru v rozmezí 3,5-4 mm. Motorová přepážka by měla být ze 4-5 mm letecké překližky. Sada pro zadní montáž (upevňovací kříž, unašeč vrtule pro zadní montáž) je dodávána spolu s motorem.
Sada motoru obsahuje: střídavý motor KAVAN PRO 3542-1150 s kabely s připájenými 3,5 mm zlacenými konektory, sadu pro zadní montáž. Úplný návod k obsluze motoru si můžete stáhnout zde: Střídavé motory KAVAN PRO - Návod k obsluze
Pozn.: Alternativní označení dle rozměrů statoru 2820-1150.
| Napájení LiXX článků | 3 - 4 |
| Otáčky na volt [ot./min/V] | 1150 |
| Max. výkon (180 s) [W] | 1000 |
| Vnitřní odpor [mOhm] | 16 |
| Proud naprázdno (při 10 V) [A] | 2.7 |
| Max. špičkový proud (180 s) [A] | 70 |
| Průměr [mm] | 35.2 |
| Délka [mm] | 41 |
| Délka celková [mm] | 63.5 |
| Průměr hřídele [mm] | 5 |
| Hmotnost [g] | 141 |
| Počet pólů | 14 |
| Časování [°] | 20 - 25 |
| Regulátor [A] | 70 - 80 |
| Větroň do hmotnosti [g] | 2200 |
| Trenér do hmotnosti [g] | 2100 |
| Akrobat do hmotnosti [g] | 1800 |
| 3D do hmotnosti [g] | 1200 |
| Doporučená vrtule | 3S: 11x8"-12x6" |
| 4S: 9x6"-10x5.5” | |
POPIS A FUNKCE REGULÁTORU
PROGRAMOVATELNÉ FUNKCE
OCHRANNÉ FUNKCE REGULÁTORU
Tip: Při vůbec prvním zapnutí regulátoru nejprve proveďte kalibraci rozsahu plynu dle návodu. Teprve potom je možno regulátor používat a nastavovat další parametry s pomocí vysílače nebo LED programovací karty KAVAN PRO.
| Použití | Letadlo,Vrtulník |
| Typ | Střídavý |
| Trvalý proud [A] | 80 |
| Max. špičkový proud [A] | 100 |
| LiXX článků | 3 - 8 |
| BEC napětí [V] | 5.2 - 7.4 |
| BEC proud [A] | 8 |
| Délka [mm] | 69.8 |
| Šířka [mm] | 34.6 |
| Výška [mm] | 19.2 |
| Hmotnost [g] | 92 |
| Regulace | Jednosměrná |
| Brzda | Ano |
| Vstup pro senzory | Ne |
| Programovatelný | Ano |
